鉅大鋰電 | 點擊量:0次 | 2018年05月14日
鋰離子電池的開發歷史
鋰電池登場20多年來,不僅得到便攜式終端的采用,還在向電動汽車、家用蓄電池等眾多領域拓展。今后,隨著應用范圍越來越廣泛,掌握鋰電池知識估計將會成為技術人員的必備條件。本連載將通過刊載鋰電池之父——西美緒在《日經電子》上發表的文章,為您介紹鋰電池開發史和發展歷程。
恕筆者提一則舊聞,2004年1月11日的《朝日新聞》(東京版)刊登了這樣一條消息。大阪府警察以涉嫌盜竊為由,檢舉了大阪府守口市的一名公司員工和枚方市的一名大學生。警方指控二人“盜竊電氣制品”,筆者原以為他們從電器行順手牽羊地摸走了電器之類的商品,但其實并非如此。那么,他們究竟偷了什么?
沒了電池的手機只是塊板磚
其實,他們是從室外的插座“偷了電”。雖然涉案總金額統共只有1日元左右,但秉持不縱容違法的態度,警察還是對二人分別依法進行了緝捕。
經調查,上述公司員工涉嫌使用門真市某餐廳的招牌用插座,為手機沖了大約5分鐘電。上述大學生則是在京阪電鐵的枚方市站前表演舞蹈時,把超市自動售貨機的插頭從插座上拔下,插到了自帶的播放音樂的收錄兩用機上,從而構成了偷電行為。這兩起事件的起因都是因為電池耗盡。
這則報道告訴人們,在便攜式產品流行的現代,作為電源的電池,尤其是二次電池已經成為了不可或缺的存在。也就是說,“手機如果沒了電池,只是一塊板磚”。
筆者希望通過本文,為大家介紹如今在二次電池中占據首要地位、在不久的將來還有望成為電動汽車動力源的鋰電池(以下簡稱:LIB)。
從干電池到二次電池
二次電池被廣泛運用的歷史并不長。東京通信工業(現索尼)推出日本第一臺晶體管收音機“TR-55”是在1955年,當時使用的是一次電池,也就是干電池(圖1)。之后,該公司又在1957年為小型收音機開發出了電壓為9V的干電池“006P”(圖2)。這種電池由6個小拇指尖大小的干電池在方形筒中疊加而成。006P電池現在依然是無線電遙控車等常用的電源。索尼在電池領域起步雖晚,卻在半個世紀前,出人意料地機型了一項重要的商品開發。

圖1:世界上第一臺晶體管收音機“TR-55”
東京通信工業于1955年推出。內置干電池。(供圖:索尼)

圖2:9V干電池“006P”
為1957年上市的晶體管收音機“TR-63”開發。現在也應用于無線電遙控車等產品。
在晶體管收音機之后,得到廣泛普及的便攜式產品應該是收錄兩用機。1963年,日立制作所推出了收音機與開放卷軸錄音機二合一的產品。這據說是日本的第一臺收錄兩用機。最初的“卡帶錄音機+收音機”在1968年由愛華(AIWA)制造,以此為契機,各大家電制造企業相繼在1970年代向市場投放商品。收錄兩用機當時也是以干電池為電源,因為安裝了多節大塊頭的1號、2號干電池,所以分量相當重。
談到重量,就不能不提初期的家用攝像機的電池。從1970年代中期開始,攝像機走進了家庭。當時,雖說是家用,但攝像機的體型大,能夠驅動這個大家伙的二次電池,只有大塊頭的鉛蓄電池。成本可能也限制了選擇的范圍。在當時,鎳鎘(以下稱:Ni-Cd)電池還非常昂貴。
攝像機用鉛蓄電池的尺寸與一條栗羊羹相仿,曾被戲稱為“栗羊羹電池”。原本就十分笨重的攝像機再裝上沉甸甸的栗羊羹電池,重到讓人用起來難免會閃到腰。當時的二次電池背負著“三重苦”,也就是“重”、“不耐用(電池電量耗盡快)”、“充電時間長”的課題,在移動產品時代的入口徘徊不前。
從1960年代后半段開始,使用卡帶的小型磁帶錄音機、FM收音機、微型電視等便攜式電子產品不斷涌現,絕大多數產品使用一次電池,很少見到二次電池的身影。
然而,隨著這些產品使用頻率的增加,一次電池給用戶造成了沉重的成本負擔。這使得人們寄望于二次電池,開始把目光對準了“擺脫三重苦”。
對于二次電池小型化、高性能的要求日漸增強是在便攜式音樂播放器流行(“Walkman”于1979年登場)、8mm錄像帶登場(1985年)的時候。當時,AV產品向小型化發展,在室外使用已經變得司空見慣。
Ni-Cd電池實現普及
當時,Ni-Cd電池取代鉛蓄電池成為了電池的主角。便攜式音樂播放器開始使用俗稱為口香糖電池的超薄電池,攝像機使用的小型Ni-Cd電池組也登上了歷史舞臺。
這要歸功于Ni-Cd電池的容量實現了顯著提升。舉例來說,索尼第一臺8mm攝像機使用的二次電池組型號為“NP-55”,使用5節略短于5號干電池的Ni-Cd電池。在1985年上市時,容量約為700mAh,順應高容量化的呼聲,索尼對電池進行改進,到1989年,電池容量增加到了1300mAh(圖3)。

圖3:二次電池組“NP-55”的容量變遷
NP-55由5節Ni-Cd電池組成,得到了索尼第一臺8mm攝像機的采用。1985年上市之時的容量約為700mAh,1989年達到了1300mAh。
容量密度的提高得益于眾多的技術革新,其代表之一是下面介紹的發泡鎳基板。Ni-Cd電池的電極基板最初使用鎳的燒結體(燒結式鎳),之后開始采用發泡鎳基板。后者以聚氨酯泡沫和高分子纖維無紡布為起始原料。
無紡布首先經過無電電鍍獲得導電性,接著經過通常電鍍,在表面附著鎳,然后在高溫下煅燒。完成煅燒后,聚氨酯樹脂等基材將會消失,只留下鎳骨架。高分子基材原本具備的空隙原封不動,制成的電極基板的多孔度非常高。空隙率從過去燒結式的80%增至最大98%,革命性地提高了活性物質*的填充率。通過采用這種電極,容量大約可提高30%。
*活性物質=參與發電反應的正極和負極的物質。電池是將正極與負極發生化學反應產生的能量轉化為電能輸出的裝置,參與化學反應的物質叫作正極活性物質、負極活性物質。比方說,Ni-Cd電池的正極活性物質是NiOOH(氫氧化鎳),負極活性物質是Cd(鎘)。
發泡鎳基板登場是在1980年代后半段,而索尼在1970年代前半段,其實已經在著手開發同類技術。當時,索尼還將臺式計算器(與現在的計算器判若兩物的大型設備)商品化,內置Ni-Cd電池作為電源。為實現電池的輕量化,該電池也使用了經過無電電鍍和通常電鍍處理的無紡布作為基板。但遺憾的是我們沒有想到通過煅燒的方式清除無紡布基材。
不過,塞翁失馬焉知非福。如果我們的電極發展到了采用發泡鎳基板的程度,Ni-Cd電池(還有之后的Ni-MH電池)或許將會成為索尼電池的主力商品,使日后LIB的開發大幅延后。畢竟索尼是因為當時沒有強有力的二次電池商品,才把精力投入到了開發新型二次電池LIB。
現在回過頭來說攝像機用電源,攝像機對于電池增加容量的要求越來越高。
在圖3中,1985~1989年的5年間,Ni-Cd電池能量密度提升率達到了每年15~20%。但容量依然不足,進入1990年后,電池性能還需要以相同的速度繼續提升。
但根據以往經驗,二次電池技術“可達成的容量僅為理論容量的1/5左右”,按照這個規律計算,在1990年,Ni-Cd電池技術已經基本達到了極限。之后如果不開發新電池,就無法滿足產品的需求。
而且,Ni-Cd電池還面臨著另一大阻礙——鎘的環境危害。各位讀者應該聽說過鎘引發的“痛痛病”。這種疾病發病于流經富山縣的神通川流域的居民,在國際上也相當出名,英語甚至沿用日語叫法,稱其為itai-itaidisease。鎘已經成為了人盡皆知的有害物質注1)。因此,電池企業被迫要盡快擺脫Ni-Cd電池。
注1)因其他鎘污染地區沒有出現患者,也有看法認為鎘并不是患病的唯一原因。
高性能二次電池期待論
既然Ni-Cd電池行不通,那就必須開發新型二次電池。高能量密度電池的需求早已有之。
舉例來說,大正末年,豐田佐吉曾向帝國發明協會懸賞。“向開發出輸出功率為100馬力,能夠36小時連續運行,重量在60貫以下,體積在10立方尺以下的電池的日本人獎勵100萬日元”——按照當時的金價換算,這筆獎金大約相當于現在的約20億日元,簡直是一個天文數字。
舊度量衡的1馬力=761.2W,如果把上面提到的電池的性能換算為ISO的單位,單位重量、單位體積的能量密度分別為9850Wh/L以上,以及12180Wh/kg以上,功率密度分別為2820W/L以上,以及340W/kg以上。
在功率密度方面,LIB滿足了要求,問題是能量密度。現在的LIB的能量密度也才600Wh/L、210Wh/kg左右,由此可見佐吉的要求有多么離譜。令人不禁猜測,是不是因為實現不了,所以才夸下了重獎20億日元的海口。
暫且不論要求能否實現,從1980年代后半段開始,追求高能量密度電池的呼聲愈發響亮。如上所述,因為預測到Ni-Cd電池終有一天將無法滿足攝像機的要求,電池企業很早就提前準備,開始著手開發新型二次電池。順應這一潮流,Ni-MH電池(鎳氫電池)于1990年,LIB于1991年應運而生。
Ni-MH電池登場
Ni-MH電池的關注點鎖定在氫的理論容量密度*。氫作為電池負極時,理論容量密度為26316mAh/g,是一種優秀的電極材料。與之相比,鋰(Li)為3861mAh/g,鎘為477mAh/g,可見氫的潛能巨大。
問題最終歸結到了以怎樣的形態使用氫。比方說,把10L氫氣(相當于大約2170Ah)罐裝到高壓缸(200kg/cm2)中,體積會縮小到50mL,雖說體積小,但200個大氣壓的高壓容器最好避免搬運。還有方法能夠把10L氫氣壓縮到13mL。那就是-250℃的液態氫,但把這種形態運用于電池也不實際。
*理論容量密度=每種物質的發電容量。單位重量(體積)的活性物質能夠產生的電量取決于物質的原子量(化合物則為分子量)及其轉化為離子時的化學價。因此,物質確定后,能夠實現的發電量也將一并確定。這叫作理論容量。
與上面兩種形態相比,還有更方便的形態——貯氫合金。比如說,LaNi5合金能夠與氫形成化合物LaNi5H5.7,在體積為7.5mL的合金中吸貯10L氫氣。壓縮率能夠達到1/1300左右。不過,在這種形態下,單位重量的理論容量密度為366mAh/g,與氫本身的26316mAh/g相比,驟減到了1/70以下。這是因為LaNi5H5.7的分子量非常大,大約為438。但貯氫合金還是為氫充當電極活性物質鋪平道路,使Ni-MH電池于1990年實現了商品化。
有望實現大容量的鋰負極
雖然實力趕不上氫,但使用鋰作為負極,單位重量、單位體積的理論容量密度也達到了3861mAh/g、2062mAh/m2。而且,標準單極電位(以標準氫電極為準)高達-3.04V,實現了非常高的絕對值。也就是說,以鋰為負極的電池可以提高端子電壓,如果用電量(Wh)來表示能量密度,其數值將會增大。實際上,作為使用金屬鋰作為負極的電池,紐扣型鋰電池很早就投入了實用。這是正極使用二氧化錳(MnO2),負極使用鋰的一次電池,在存儲器備份電源等用途得到了廣泛運用。
鋰電池的特點如下:
①電壓高達3.0V
②能量密度大
③自放電少
④工作溫度范圍大
不只是電池技術人員,大家應該都希望直接發揮這些特點,實現鋰電池的二次電池化。
但好事多磨,在二次電池化的面前,聳立著巨大的難關。其中,安全性和達不到需要的充放電循環壽命兩個課題最難解決。至今仍未找到答案。

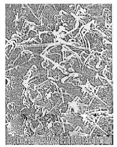
圖4:析出的鋰枝晶
在反復充放電的過程中,針狀的金屬鋰不斷生長。
原因出在充電時生長的鋰枝晶(樹枝狀結晶)。圖4展示了充電時析出的鋰的形狀,從圖中不難看出將其稱之為樹枝狀結晶或是針狀結晶的理由。結晶針會穿透隔膜,造成內部短路,給安全性造成威脅,或是從電極上脫落,導致容量降低,也就是循環劣化。
那么,同樣使用金屬負極的Ni-Cd電池是不是不會發生這種問題?鎘的放電生成物——CdO(氧化鎘)或Cd(OH)2(氫氧化鎘)不溶于電解液,會停留在原位,在電極上生成。因此充電后,會在原地重新轉化成鎘。
就負極的金屬材料而言,鋅(Zn)遠比鎘優秀。鋅單位重量的電容量約是Cd的1.7倍,單位體積的電容量約是1.4倍。而且,在正極活性物質相同的情況下,鋅的電池電壓可以高出約0.4V。這就是干電池、氧化銀電池等一次電池采用鋅作為負極的原因。
但鋅負極在運用于二次電池的時候,會像鋰一樣發生枝晶問題。圖5通過模式圖,展示了鎘和鋅的電解析出機制。使用鋅作為負極時,放電生成物ZnO(氧化鋅)以鋅酸根離子ZnO22-的形態溶于電解液,從而生成枝晶。雖然在充電時,鋅會重新析出,但此時的鋅無法回到原位,會在容易析出的位置電解析出。開始析出后,以尖端部位為活性點,析出將連續進行,樹枝狀的電解析出物——枝晶不斷生長。倘若沒有這種現象,Ni-Cd即使不存在公害問題,估計也已經被Ni-Zn取而代之。

圖5:充放電使負極上生成枝晶的機制
鎘的放電生成物不溶于電解液,在電極上堆積,充電后重新轉化為鎘。鋅的放電生成物溶于電解液,充電時以枝晶的形態析出。
使用鋰作為負極時,放電生成物也會溶解于電解液,因此會和鋅一樣,出現由析出機特種致的枝晶問題。無論是鋰還是鋅,目前都沒有防范枝晶的有效手段。因此,使用鋰負極的二次電池還必須等到LIB完成之后才能登場。
下一篇:鋰電池的開發史——電極材料的選擇










