鉅大鋰電 | 點擊量:0次 | 2018年05月15日
基于AD8450/1和ADP1972的鋰電池測試解決方案怎么樣?
能源消耗是全球面臨的普遍問題,許多行業努力通過實現更安全、更清潔、更高效、低成本的電源解決方案來應對這一問題。混合動力和電動汽車、太陽能、風能的日漸盛行就是這種趨勢的結果。所有這些解決方案都有一個共同之處:鋰離子電池。由于這些領域增長迅速,鋰離子電池將在節能方面起到更重要的作用。
鋰離子電池制造程序非常復雜,包括電極生產、堆疊結構和單元裝配。然后要執行電氣測試,以便評定電池容量和性能。這之后還要執行電氣測試,以便評定電池在工作中的容量,即額定值。對于鋰離子電池制造中的這些電氣測試,需要高功率、高效率和高精度的測試設備。ADI公司基于AD8450/1和ADP1972的解決方案正是為此而推出。
系統設計考慮因素
效率
筆記本電腦、手機和類似便攜設備中鋰離子電池的容量通常很小,典型值是數安時。但是,用于車輛或儲能的鋰離子電池容量則高得多,通常在數十甚至數百安時左右。用于小容量電池的線性測試設備,如果也用于高容量電池測試,在充電階段將會消耗大量功率,導致效率低下,而且會給設備硬件設計帶來相當嚴重的熱問題。ADIAD8450/1和ADP1972解決方案基于PWM架構,有助于解決這一問題。
ADIPWM架構還能幫助把更多電池能量送回電網或其他測試通道進行充電。與將電池能量放電至阻性負載的線性架構相比,這是一種環保且高效的解決方案。
精度
為了獲得準確的鋰離子電池容量,需要精確測量充電和放電兩種模式下的電流和電壓。結合系統中的精密ADC、DAC和其他器件,ADI公司基于AD8450/1和ADP1972的解決方案可實現高精度測量和設定。
低系統成本
·更高的開關頻率支持使用尺寸更小、價格更低的功率元件,如電感和電容等
·能源回收利用有助于降低運營成本
·AD8450/1精度更高,可降低熱管理成本,簡化控制環路設計
·AD8450/1采用獨特的儀表放大器設計,制造過程中的校準時間可縮短一半,性能保證時間可更長
·集成解決方案使得系統尺寸更小,設備和維護成本更低
ADI解決方案
系統框圖
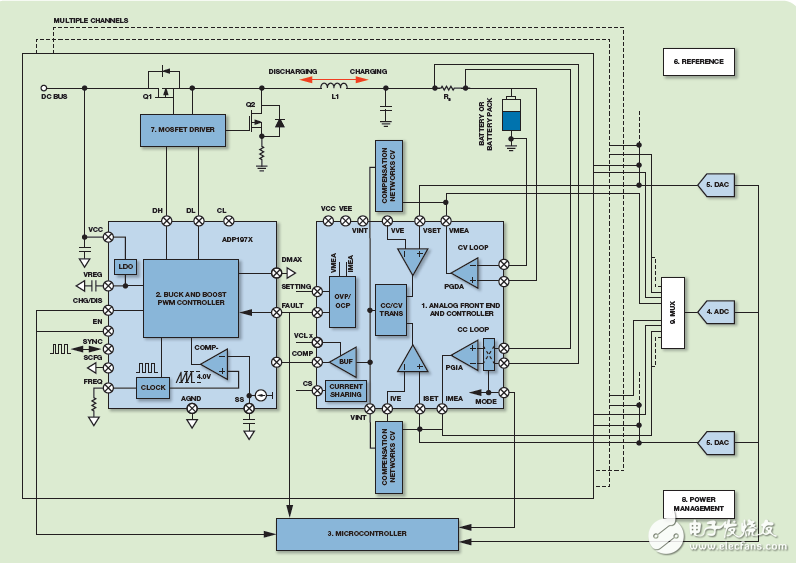
下面是從直流母線到電池的系統框圖,包括微控制器、模擬前端和控制器、PWM控制器、高壓MOSFET驅動器、功率級(MOSFET、電感、電容、分流電阻)、電壓/電流讀取(ADC)以及電壓/電流設置(DAC)。

注釋:上述信號鏈代表從直流母線到電池的通道板設計。模塊的技術要求可變化,但下表列出的產品代表滿足部分要求的ADI解決方案。
1.模擬前端和控制器AD8450/AD8451
2.降壓和升壓PWM控制器ADP1972
3.微控制器ADuC7060/ADuC7061
4.模數轉換器AD7173-8/AD7175-2
5.DACAD5686R/AD5668/AD5676R
6.基準電壓源ADR3450/ADR4550
7.MOSFET驅動器ADuM7223
8.電源管理ADP2441/ADP7102/ADM8829
9.多路復用器ADG528F/ADG5408/ADG658/ADG1406
系統工作原理
上圖主要包含兩個功能:一是對電池充電,二是對電池放電,這由AD8450/1和ADP1972的模式信號決定。每個功能有兩種模式:恒流(CC)模式和恒壓(CV)模式。兩個DAC通道控制CC和CV設定點。CC設定點決定充電和放電兩個功能的CC模式下環路中有多少電流。CV設定點決定環路從CC進入CV時的電池電位,同樣適用于充電和放電兩個功能。
精密模擬前端和控制器AD8450/1利用內部差動放大器PGDA測量電池電壓,并利用內部儀表放大器PGIA和外部分流電阻(RS)測量電池上的電流。然后,它通過內部誤差放大器和外部補償網絡(用于確定環路功能是CC還是CV),將該電流和電壓與DAC設定點相比較。在該模塊之后,誤差放大器的輸出進入PWM控制器ADP1972,以確定MOSFET功率級的占空比。最后是構成完整環路的電感和電容。本部分的說明針對充電和放電兩個功能,因為ADP1972是降壓和升壓PWM控制器。
本方案中,ADC獲得環路電壓和電流的讀數,但它不是控制環路的一部分。掃描速率與控制環路的性能無關,因此一個ADC就能測量多通道系統中大量通道的電流和電壓。DAC也是如此,因而可以使用低成本DAC來設置多個通道。此外,單個處理器只需控制CV和CC設定點、工作模式及管理功能,因而它可以與許多通道接口。
系統性能
ADI公司制作了ADP1972和AD8450演示板如下圖,可以用來驗證其效率和精度。對于該異步降壓和升壓電源系統,直流母線輸入為12V,最大充電/放電電流為20A。

效率:在最大額定值、20ACC模式(充電和放電功能均如此)及3.3V負載條件下,演示板的效率約為90%。為實現這一數值,體外二極管、分流電阻、電感和MOSFET均經過優化。
精度:校準初始精度之后,電流的精度包括溫漂、全電流范圍(0A至20A)內的線性度、短期穩定性(噪聲)和全電壓范圍(0V至3.6V)內的CMRR。在演示板上驗證的結果是,該ADI解決方案的典型電流精度為0.01%以下(25°C±10°C)。對電壓精度可以進行類似的分析,經過此演示板驗證,它同樣在0.01%以下。
上一篇:鋰電池漿料固含量測定儀怎么樣?










