鉅大鋰電 | 點擊量:0次 | 2020年05月23日
變頻器開關電源應該怎樣維修

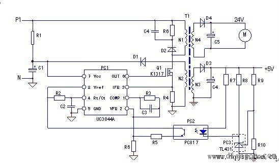
開關電源簡化電路圖
變頻器的開關電源電路完全可以簡化為上圖電路模型,電路中的關鍵要素都包含在內了。而任何復雜的開關電源,剔除枝蔓后,也會剩下上圖這樣的主干。其實在檢修中,要具備對復雜電路的“化簡”的能力,要在看似雜亂無章的電路伸展中,拈出這幾條主要的脈絡。要向解牛的庖丁學習,訓練自己的眼前不存在什么整體的開關電源電路,只有各部分脈絡和脈絡的走向——振蕩回路、穩壓回路、保護回路和負載回路等。
變頻器開關電源維修的幾個步驟:
1、檢測整流電路D1—D4是否擊穿或斷路,濾波電路的電容是否損壞,平衡電阻R1、R2是否正常,降壓電阻R3是否燒斷或阻值增大失效(斷電情況下測試)。
2、檢測開關管b-e結、c-e結是否有擊穿短路現象、測量開關變壓器各個繞組是否有短路現象,以確定開關管、及開關變壓器的好壞(斷電情況下測試)。
3、檢測次級輸出繞組的整流濾波元件,重點察看濾波電容是否鼓包或損壞,以排除次級電路短路的可能。
4、檢測吸收回路D5、R11、C9是否正常(斷電情況下測試)。
5、在確定上述元件正常的情況下,我們可以把開關電源板從變頻器上取下單獨對其進行加電試驗。用調壓器緩緩地調至開關電源的額定電壓值,此時應能聽到變壓器起振時的吱吱聲,如沒有聽到起振的聲音,用萬用表檢測UC3844的電源正、負級之間是否有12V—16V左右的直流電壓。
6、在確定UC3844的供電端電壓正常后,可用示波器察看一下UC3844的6腳是否有PWM波輸出到開關管的觸發端(根據電路設計的不同,PWM波的頻率一般在20KHZ—100KHZ之間)。
7、如果沒有PWM波輸出,則更換定時元件C5、R8、C6或UC3844。經過上述幾個步驟的排除,開關電源應該可以正常工作了。在德瑪變頻器中,開關電源的種類很多,但基本原理都是一樣的,比如說每個PWM管理芯片都有供電端、定時元件RC網絡、輸出PWM波的端口等,只要我們了解了它們的工作原理,按照一定的方法步驟都能夠把故障排除掉。
下一篇:開關電源的基本知識和主要功能










